会员
团购
模型
发布文章
上传模型
莫斯科大学开发出个性化喉部3D打印植入物原型
3D打印快讯
融合3D打印与类器官,香港大学开发出具备生理功能的人工气道
3D打印应用
库早报|占比95%,消费级3D打印机中国独大;高能数造获新一轮融资;传播打印枪图或涉违法
3D打印早报
开源系统SpoolEase:支持Bambu Lab打印机耗材管理
库早报|Sakuu称设备拍卖属常规操作;李现上脚阿迪3D打印鞋;Stratasys发布硅胶打印新材料
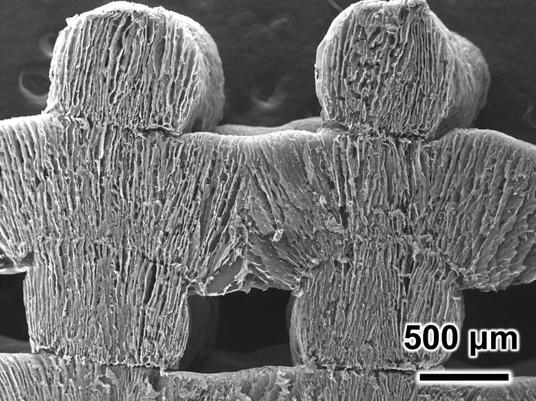
宾大工程师开发新型3D打印混凝土
SYS Systems牙科3D打印业务激增350%
青海首批本土产3D打印医疗器械获批上市
Unigons推出环保3D打印鱼尾狮雕像
LuxCreo与Alliedstar合作推进牙科3D打印自动化
Fizik凭借3D打印定制鞍座项目荣获欧洲金奖
大族聚维上线金属3D打印服务商城
新型3D打印气凝胶高效净化海水
TissueTinker利用3D生物打印推进临床前癌症研究
Firestorm获惠普MJF技术移动应用独家授权
研究人员用麦秸秆3D打印环保隔热材料
肯塔基州首个3D打印混凝土结构即将公开展示
本田成功测试3D打印实验火箭实现自主发射与着陆
Ameresco与美国陆军共推出3D打印节能升级项目